|
Каталог
|
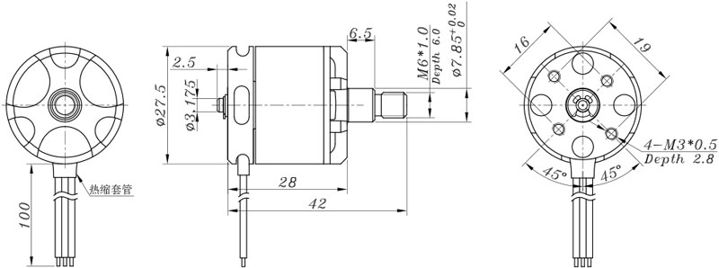
Безщіткові (вони ж безколекторні) двигуни SunnySky X2212 KV980 володіють хорошою продуктивністю за доступною ціною, найчастіше використовуються для мультироторних систем (коптерів) і літаків. Кожен двигун ретельно збалансований і протестований на заводі. Найбільш підходящі пропелери для цих двигунів 9450. Код виробника: SS-X2212-N-980-CW Особливості:
Характеристики:
Відео: порівняння вібрацій від двигунів Sunnysky X2212 KV980 та DJI 2212-920KV
Відгуки покупців про Мотор SunnySky X2212 KV980 CW Мамедов Геннадий (21.01.2024) Замість двигуна прямого обертання згідно опису (CW) надіслали двигун CCW з лівою різьбою, та ще і без гайки. Виявив не одразу. Буває. Звичайно, я знайду і гайку, і застосування для двигуна, але настрій дещо зіпсований, хоча магазин гарний і до інших товарів а також до сервісу нарікань у мене немає. ВідповістиМамедов Геннадий (22.01.2024) Через брак досвіду і плутанину у визначенні напрямку обертання двигуна (пряме-зворотнє (CW - пряме, CCW- зворотнє), я помилився у замовленні, бо вважав напрямок обертання більшості двигунів зі звичайною різьбою на валу за прямий. Але це виявилось не так. Магазин надіслав мені саме той двигун, що я і замовив, а саме - CW, прямого обертання з ЛІВОЮ різьбою для гайки. Тому прошу додати до опису товару цю особливість. Дякую Артем (08.02.2022) Подскажите, когда есть смысл ожидать наличия? admin (08.02.2022) Добрый день. Ориентировочно данные моторы появятся в продаже через месяц, два. ВідповістиСергей (21.08.2016) емм... а где можно достать шпильку с обратной резьбой ..а то у меня все с правосторонней достались? Відповістиadmin (23.08.2016) Не все двигатели выпускаются комплектами с шпильками с разной резьбой... ВідповістиБуряченко Олег Витальевич (22.12.2015) Хорошие моторы, под 450-500 квадр, цена адекватная, Александр Будаев (11.10.2014) Моторы для своей цены просто класс,но это и так знают все.Кстати в магазине цены адекватные. ВідповістиНаписати відгук: Є питання по "Мотор SunnySky X2212 KV980 CW" ? Також рекомендуємо ознайомитися:
Шановні друзі! Ми намагаємося тримати на сайті інформацію про наявність товарів та ціни на них в актуальному стані. Коригування відбуваються постійно. Якщо ви знаходите ціну на товар завищеною, напишіть нам про це із посиланням на товар. Ми розглянемо лист та чи обгрунтуємо ціну, чи підкоригуємо її. Асортимент магазину дуже великий та іноді бувають помилки в ціноутворенні, особливо при скачках курсу долара. Дякуємо за розуміння.
|









