|
Каталог
|
Мій простий та надійний DC-UPS на LiFePO₄: як я зібрав свій безперебійник і навіщо він мені2026-01-13 Все статьи →Хочу поділитися своїм проєктом - простим, але дуже корисним DC-UPS, який живить роутер, Orange Pi, диски та іншу техніку навіть тоді, коли світло повністю зникає. Ніяких реле, ніяких контролерів - усе працює на двох діодах і LiFePO₄ батареї. Проєкт вийшов настільки вдалим, що я вирішив описати його, раптом комусь стане в пригоді. Чому я вирішив робити DC-UPS сам? У мене вдома працюють кілька одноплатних серверів, роутер, камери, жорсткі диски. Коли зникає світло, мені треба, щоб вони:
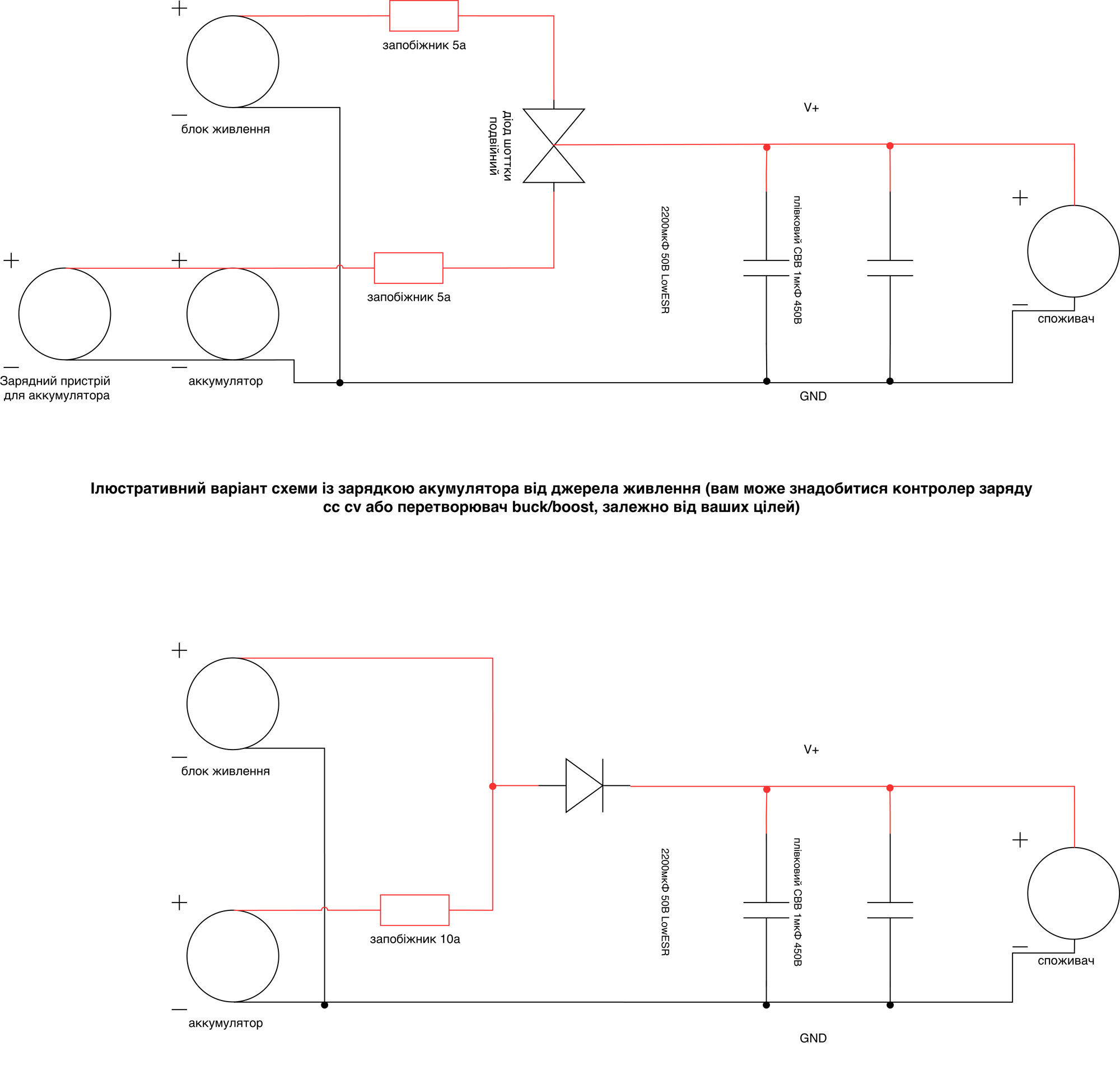
Готові UPS або дорогі, або малопотужні, або працюють тільки з 220 В. А мені потрібен чистий DC UPS, без конверсії 220↔12↔5. Так і з’явилась ідея зробити власний. Як усе працює. Уся схема дуже проста:
Перемикання відбувається настільки плавно, що Orange Pi навіть не помічає. Падіння напруги на діодах - це нормально. Шотткі-діоди мають невелике падіння - приблизно 0.3–0.4 В. У моїй схемі це не проблема, тому що після діодів я поставив стабілізатор (LTC3780), який видає потрібну напругу незалежно від того, що приходить зліва. Якщо ж використовувати цю схему для роутера або камер, то вони без проблем працюють у діапазоні 9 - 14 В, тому падіння 0.3 - 0.4 В для них взагалі не критичне. Для чого я поставив конденсатори. Ще одна важлива деталь - конденсатори на виході. Я поставив великий електроліт (2200 мкФ) і плівковий конденсатор. Разом вони роблять три речі:
На фото нижче можна буде побачити, де саме я їх встановив. Батарея LiFePO₄ - чудовий вибір для такого UPS. Я використав батарею 4S 20Ah із готовою BMS. Переваги:
Мій комплект показав близько 247 Вт·год при тестовому розряді - цього з головою вистачає на 5 - 10 годин автономності для домашнього серверного куточка. Що я можу живити від цього DC-UPS/
Система працює тихо, безшумно і абсолютно непомітно - просто світло є завжди. Чому ця схема така надійна/
Це той випадок, коли все просте - і все працює.
Висновок. Це один із найкорисніших проєктів, які я зібрав для дому. DC-UPS на діодах і LiFePO₄ працює:
Схема проста, легко повторюється та ідеально підходить для будь-яких low-voltage пристроїв. Він не дає серверу або роутеру навіть на секунду “моргнути” під час вимкнення світла. Принципова схема:
Благодарим Вас за обращение! Ваш отзыв появится после модерации администратором.
Пока нет отзывов на эту статью.
|




